Klemme 15 am Lichtschalter abgreifen?
- Kaefarrera
- Beiträge: 49
- Registriert: Sa 12. Okt 2013, 13:17
- Käfer: VW 1303 RS
- Fahrzeug: Porsche 924
Klemme 15 am Lichtschalter abgreifen?
Hallo,
Für mein Tagfahrlicht 2x8Watt, Radio wohl ca 200Watt (wobei dieses auf Klemme 30 und Klemme 15 sich aufteilt) sowie zwei weitere neue Verbraucher brauche ich Klemme 15. Also Strom bei Zündung.
Zum Lichtschalter geht eine auf die Klemme X. Denke das ist Klemme 15.
worüber ist diese gesichert?
Kann ich vor dem Anschluss einen 4 Fach Verteiler setzten?
Wenn nicht wo bekomme ich Klemme 15 mit Sicherung am Fahrzeug sonst her?
Danke
Für mein Tagfahrlicht 2x8Watt, Radio wohl ca 200Watt (wobei dieses auf Klemme 30 und Klemme 15 sich aufteilt) sowie zwei weitere neue Verbraucher brauche ich Klemme 15. Also Strom bei Zündung.
Zum Lichtschalter geht eine auf die Klemme X. Denke das ist Klemme 15.
worüber ist diese gesichert?
Kann ich vor dem Anschluss einen 4 Fach Verteiler setzten?
Wenn nicht wo bekomme ich Klemme 15 mit Sicherung am Fahrzeug sonst her?
Danke
- B. Scheuert
- Beiträge: 8934
- Registriert: Do 5. Dez 2013, 19:00
- Käfer: 1303
- Wohnort: anne Ruhr zu Hause
Re: Klemme 15 am Lichtschalter abgreifen?
Wenn da soviel aufgeschaltet werden soll, würde ich ein Arbeitsstromrelais setzen und es direkt über die Batterie machen. Die vorhandenen Leitungen sind mit so etwas aquf Dauer überfordert. Das Tagfahrlicht wäre noch erträglich, aber alles andere nicht.
Re: Klemme 15 am Lichtschalter abgreifen?
Hallo, üblicherweise kommt die Klemme X vom Zündanlassschalter und ist ungesichert.
Stromlaupläne für Busse findest du bei Stephan Badura unter:
https://www.vw-t2-bulli.de/index.php?de-wiring
Ich denke das das grundsätzlich ähnlich beim Käfer ist.
Stromlaupläne für Busse findest du bei Stephan Badura unter:
https://www.vw-t2-bulli.de/index.php?de-wiring
Ich denke das das grundsätzlich ähnlich beim Käfer ist.
- Kaefarrera
- Beiträge: 49
- Registriert: Sa 12. Okt 2013, 13:17
- Käfer: VW 1303 RS
- Fahrzeug: Porsche 924
Re: Klemme 15 am Lichtschalter abgreifen?
Relais klingt gut!
Ich mag keine halben Lösungen
Quasi so eines
https://www.bosch-automotive-catalog.co ... 0332019150
Aber das wird ja dann auch über Klemme 15 gesteuert?
wo greif ich das am besten ab.
Ich habe übrigens einen 1303 Bj 74 April
Der hat sogar noch ein Relais Steckplatz frei!
Die Verbraucher bekommen dann einen zweiten mini Sicherungskasten zu allgemeinen Beruhigung
Ich mag keine halben Lösungen
Quasi so eines
https://www.bosch-automotive-catalog.co ... 0332019150
Aber das wird ja dann auch über Klemme 15 gesteuert?
wo greif ich das am besten ab.
Ich habe übrigens einen 1303 Bj 74 April
Der hat sogar noch ein Relais Steckplatz frei!
Die Verbraucher bekommen dann einen zweiten mini Sicherungskasten zu allgemeinen Beruhigung
- Dale_Jr.
- Beiträge: 420
- Registriert: Do 2. Mai 2013, 21:41
- Käfer: R.I.P 1302/72'
- Fahrzeug: 412 LE Variant Bj.73 im Wiederaufbau
- Fahrzeug: BMW E39 520i Bj.00...200k km
- Fahrzeug: BMW E39 520i Bj.01 Automatik...200k km
- Wohnort: am Mittelrhein
Re: Klemme 15 am Lichtschalter abgreifen?
Von Hella gibt es Relais mit Sicherung im Gehäuse.
Erspart zusätzlichen Kabelsalat und potenzielle Fehlerquellen.
Erspart zusätzlichen Kabelsalat und potenzielle Fehlerquellen.
LG Gerold
Sieger zweifeln nicht, denn Zweifler siegen nicht
Ihr könnt mich mal am Tuffel tuuten!!
Am Öl kanns nicht gelegen haben, war keins drin!
Im KBCGG seit 86
Die Bilder in meinen Beiträgen sind, wenn nicht anders deklariert, meine eigenen!!!
Sieger zweifeln nicht, denn Zweifler siegen nicht
Ihr könnt mich mal am Tuffel tuuten!!
Am Öl kanns nicht gelegen haben, war keins drin!
Im KBCGG seit 86
Die Bilder in meinen Beiträgen sind, wenn nicht anders deklariert, meine eigenen!!!
- Kaefarrera
- Beiträge: 49
- Registriert: Sa 12. Okt 2013, 13:17
- Käfer: VW 1303 RS
- Fahrzeug: Porsche 924
Re: Klemme 15 am Lichtschalter abgreifen?
Super Danke
Habe eines mit 25 un eines mit 15 gekauft
HELLA 4RA 003 530-042 Relais, Arbeitsstrom, 12V, mit Halter, mit Sicherung
https://www.amazon.de/gp/product/B00H8U ... UTF8&psc=1
nun bleibt nur noch die Frage nach dem Abgriff Steuerstrom
Habe eines mit 25 un eines mit 15 gekauft
HELLA 4RA 003 530-042 Relais, Arbeitsstrom, 12V, mit Halter, mit Sicherung
https://www.amazon.de/gp/product/B00H8U ... UTF8&psc=1
nun bleibt nur noch die Frage nach dem Abgriff Steuerstrom
- B. Scheuert
- Beiträge: 8934
- Registriert: Do 5. Dez 2013, 19:00
- Käfer: 1303
- Wohnort: anne Ruhr zu Hause
Re: Klemme 15 am Lichtschalter abgreifen?
Den Steuerstrom kannst Du direkt vom Zündschloß, oder auch irgendwo anders abgreifen. Das ist nicht mehr das Problem. Wenn Du ohnehin an den Sicherungskasten gehst, dann sind da genug Möglichkeiten.
Re: Klemme 15 am Lichtschalter abgreifen?
Soviel Leistung ist das nicht- ich gehe davon aus das 200 W Radio die Ausgabeleistung ist und nicht die Aufnahmeleistung-
( ich hatte auch zuerst 17 A errechnet)
von daher ist das Relais nicht unbedingt notwendig-
Aber Relais mit Sicherung ist sicher eine gute Lösung...
( ich hatte auch zuerst 17 A errechnet)
von daher ist das Relais nicht unbedingt notwendig-
Aber Relais mit Sicherung ist sicher eine gute Lösung...
- Kaefarrera
- Beiträge: 49
- Registriert: Sa 12. Okt 2013, 13:17
- Käfer: VW 1303 RS
- Fahrzeug: Porsche 924
Re: Klemme 15 am Lichtschalter abgreifen?
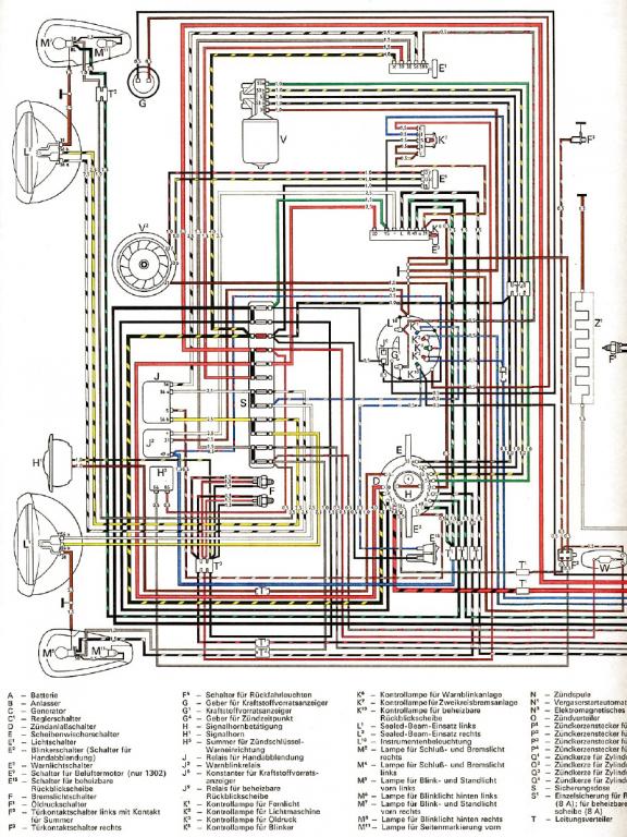
Nach den angehängten Schaltplan läuft von dem Zündschloss Zündung 1.(Hier kommt logischerweise das erste mal Klemme x oder 15 vor) eine schwarz/Gelbe Leitung zum Sicherungskasten und gleichzeitig ungesichert (WARUM DAS?) zum Lichtschalter.
Also ist am Lichtschalter abgreifen wohl eine der ersten Möglichkeiten Klemme 15 zu bekommen.
Also könnte ich da am Stecker abgreifen.
Ich will KEINEN Stromdieb nehmen so bleib also nur ein Stecker als Abnahme.
Funktioniert das so?
Warum ist das bei VW ungesichert zum Lichtschalter???

Also ist am Lichtschalter abgreifen wohl eine der ersten Möglichkeiten Klemme 15 zu bekommen.
Also könnte ich da am Stecker abgreifen.
Ich will KEINEN Stromdieb nehmen so bleib also nur ein Stecker als Abnahme.
Funktioniert das so?
Warum ist das bei VW ungesichert zum Lichtschalter???
- Dateianhänge
-
- 1 Schaltplan Käfer.jpg (118.03 KiB) 3596 mal betrachtet
- Bugbear
- Beiträge: 816
- Registriert: Do 1. Jul 2010, 20:32
- Fahrzeug: zu viele
- Wohnort: Augschburger Land
Re: Klemme 15 am Lichtschalter abgreifen?
F7 scheint ja noch frei zu sein und liefert Kontakt 15
Grüße Markus
- B. Scheuert
- Beiträge: 8934
- Registriert: Do 5. Dez 2013, 19:00
- Käfer: 1303
- Wohnort: anne Ruhr zu Hause
Re: Klemme 15 am Lichtschalter abgreifen?
Alles was über das Zündschloß läuft hat Kl. 15. Also Wischerschalter, Licht, Heckscheibe etc. Für den Steuerstrom des Relais völlig ausreichend.Völlig richtig, Stromdiebe sind Pfusch. 
-
Turbobenno
- Beiträge: 79
- Registriert: So 15. Jul 2012, 19:22
- Käfer: Jubi Baustelle
- Käfer: Brezel Automatic Bastard
- Fahrzeug: 930 Turbo
- Fahrzeug: F-G-993 Bastard
Re: Klemme 15 am Lichtschalter abgreifen?
Warum ist das bei VW ungesichert zum Lichtschalter???

damit du nicht durch ausfall einer einzigen Sicherung komplett im dunkeln stehst...
absicherung ist dann in den einzelnen Zweigen hinter dem Lichtschalter.
Standlicht L , Standlicht R
Abblendlicht L, Abblendlicht R
Fernlicht L , Fernlicht R
Gruß Benno
damit du nicht durch ausfall einer einzigen Sicherung komplett im dunkeln stehst...
absicherung ist dann in den einzelnen Zweigen hinter dem Lichtschalter.
Standlicht L , Standlicht R
Abblendlicht L, Abblendlicht R
Fernlicht L , Fernlicht R
Gruß Benno