Einbau eines Starter-Knopfes
-
- Beiträge: 393
- Registriert: Do 5. Aug 2010, 16:21
Einbau eines Starter-Knopfes
Hallo,
ich will eigentlich einen Starter-Knopf einbauen und weiß nicht so recht, welches Kabel ich dafür umlegen muß. Denn es sollte ja wohl das sein, welches beim völligen Durchdrehen des Schlüssels den Kontakt weitergibt. Nur das diese Funktion dann der Knopf (Button) übernehmen sollte.
Karlheinz
ich will eigentlich einen Starter-Knopf einbauen und weiß nicht so recht, welches Kabel ich dafür umlegen muß. Denn es sollte ja wohl das sein, welches beim völligen Durchdrehen des Schlüssels den Kontakt weitergibt. Nur das diese Funktion dann der Knopf (Button) übernehmen sollte.
Karlheinz
- crazy-habanero
- Beiträge: 1847
- Registriert: Di 31. Aug 2010, 06:49
- Wohnort: südl. Vogelsberg / Hessen
Re: Einbau eines Starter-Knopfes
das selbe wollte ich auch machen.
bei mir ist der grund dass der zünschalter defekt ist,
und ich direkt vom anlasser ein kabel zur batterie gelegt habe (ist auch ein sehr guter diebstahlschutz...)
gruß lothar
bei mir ist der grund dass der zünschalter defekt ist,
und ich direkt vom anlasser ein kabel zur batterie gelegt habe (ist auch ein sehr guter diebstahlschutz...)
gruß lothar
"Ist der Motor kalt, gib ihm fünfeinhalb"
Re: Einbau eines Starter-Knopfes
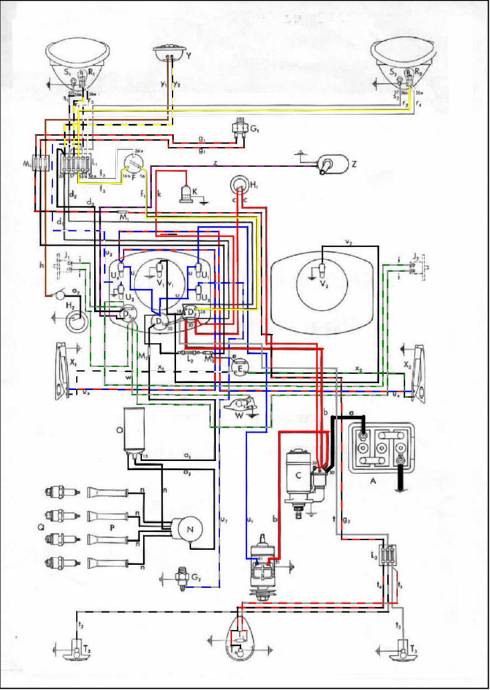
du musst nur klemme 50 auf klemme 30 legen, natürlich mit dem schalter dazwischen. nicht irgendeinen schalter nehmen, da fließt ne menge strom durch.
am besten du baust dir ein relais in die nähe der batterie ein und an den startknopf machst du nur den steurstrom fürs neue anlasserrelais.
dir fehlt dann natürlich klemme x, was aber beim käfer nicht ganz so schlimm sein sollte.
am besten du baust dir ein relais in die nähe der batterie ein und an den startknopf machst du nur den steurstrom fürs neue anlasserrelais.
dir fehlt dann natürlich klemme x, was aber beim käfer nicht ganz so schlimm sein sollte.
- Münchhausen
- Beiträge: 435
- Registriert: So 13. Nov 2011, 16:39
Re: Einbau eines Starter-Knopfes
Und immer schön die Batterie abklemmen bevor du da dran gehst!!!!!!!!!
Klemme 30 ist brandgefährlich, da direkt von der Batterie und nicht abgesichert!
Gruß
Münchhausen
Klemme 30 ist brandgefährlich, da direkt von der Batterie und nicht abgesichert!
Gruß
Münchhausen
Vielen Dank für die Beachtung aller Sicherheitshinweise.
Fahrzeug: VW Typ3, 2L Typ4(GB), MS2 PCB3, COPs mit EDIS, LC1
Mein Dank geht an: Kiesow GmbH Norderstedt.
Fahrzeug: VW Typ3, 2L Typ4(GB), MS2 PCB3, COPs mit EDIS, LC1
Mein Dank geht an: Kiesow GmbH Norderstedt.

Re: Einbau eines Starter-Knopfes
http://kaefer.motor-sport-service.de/as ... db_352.jpg
der da links funktioniert auch Ohne Relais.
ich glaube der war von Conrad oder isa mit 16A belastbar
wichtig!! das Zündschloss muss zusätzlich drin bleiben, nicht dass du mit eingerastetem Lenkradschloss los fährst
der da links funktioniert auch Ohne Relais.
ich glaube der war von Conrad oder isa mit 16A belastbar
wichtig!! das Zündschloss muss zusätzlich drin bleiben, nicht dass du mit eingerastetem Lenkradschloss los fährst
ciao Markus
Rechtschreibfehler sind beabsichtigt und dienen der allgemeinen Belustigung
Rechtschreibfehler sind beabsichtigt und dienen der allgemeinen Belustigung
- kasumi
- Beiträge: 736
- Registriert: So 20. Jun 2010, 21:00
- Käfer: Brezel 51
- Transporter: T1 1966
- Wohnort: Hamburg
Re: Einbau eines Starter-Knopfes
Machs doch so wie VW schon früher gemacht hat:
Schaltplan gibts bei "thesamba.com"
und der Starterknopf vom Brezel ist auch noch
VW-Stilecht gibt es auch in schwarz.
Schaltplan gibts bei "thesamba.com"
und der Starterknopf vom Brezel ist auch noch
VW-Stilecht gibt es auch in schwarz.
- Dateianhänge
-
- 020-2417.jpg (16.92 KiB) 7646 mal betrachtet
-
- bug_50.jpg (415.41 KiB) 7646 mal betrachtet
Re: Einbau eines Starter-Knopfes
crazy-habanero hat geschrieben:das selbe wollte ich auch machen.
bei mir ist der grund dass der zünschalter defekt ist,
und ich direkt vom anlasser ein kabel zur batterie gelegt habe (ist auch ein sehr guter diebstahlschutz...)
gruß lothar
Ohne Sicherung????BÖSER LOTHAR!!!!
1192ccm = 100,64PS
1385ccm = 148,00PS
Es gibt nichts Gutes....ausser man tut es...SELBER!
Die Motoren der Serie 1200 sind für den Betrieb rund um die Uhr ausgelegt, unabhängig von den von Ihnen gewählten Umgebungsbedingungen.
1385ccm = 148,00PS
Es gibt nichts Gutes....ausser man tut es...SELBER!
Die Motoren der Serie 1200 sind für den Betrieb rund um die Uhr ausgelegt, unabhängig von den von Ihnen gewählten Umgebungsbedingungen.
- crazy-habanero
- Beiträge: 1847
- Registriert: Di 31. Aug 2010, 06:49
- Wohnort: südl. Vogelsberg / Hessen
-
- Beiträge: 393
- Registriert: Do 5. Aug 2010, 16:21
Re: Einbau eines Starter-Knopfes
Hallo,
klingt doch ein wenig schwieriger, als ich mir das vorgestellt habe. Ich wollte eigentlich nur das Kabel des Zündschlosses, welches durch die letzte (nicht einrastende) Schlüsselstellung benutzt wird, auf diesen Schalter legen. Dann müßte ich doch automatisch das gleiche Relais benutzen, was jetzt auch drin ist, oder?. Aber welche Bezeichnung hat dieses Kabel?
Karlheinz
klingt doch ein wenig schwieriger, als ich mir das vorgestellt habe. Ich wollte eigentlich nur das Kabel des Zündschlosses, welches durch die letzte (nicht einrastende) Schlüsselstellung benutzt wird, auf diesen Schalter legen. Dann müßte ich doch automatisch das gleiche Relais benutzen, was jetzt auch drin ist, oder?. Aber welche Bezeichnung hat dieses Kabel?
Karlheinz
- Münchhausen
- Beiträge: 435
- Registriert: So 13. Nov 2011, 16:39
Re: Einbau eines Starter-Knopfes
50Käfer-speedster hat geschrieben: Aber welche Bezeichnung hat dieses Kabel?
Vielen Dank für die Beachtung aller Sicherheitshinweise.
Fahrzeug: VW Typ3, 2L Typ4(GB), MS2 PCB3, COPs mit EDIS, LC1
Mein Dank geht an: Kiesow GmbH Norderstedt.
Fahrzeug: VW Typ3, 2L Typ4(GB), MS2 PCB3, COPs mit EDIS, LC1
Mein Dank geht an: Kiesow GmbH Norderstedt.
