Weber --> MS / 009 --> Kennfeld
- Bugbear
- Beiträge: 816
- Registriert: Do 1. Jul 2010, 20:32
- Fahrzeug: zu viele
- Wohnort: Augschburger Land
Weber --> MS / 009 --> Kennfeld
Hallo Gemeinde,
ich habe nun meinen Umbau auf Megasquirt endlich gestartet.
Fange ich mal an die Schritte zu beschreiben:
Einspritzdüsen:
Für die Einspritzdüsen benutze ich Ansaugrohre mit Aufnahme für die Düsen von MSS.
Die Düsen selbst sind von einer 1200er GS von BMW. Weil die Düsen kürzer als normale Bosch-Düsen sind kommen deren Stecker dem Dreiecksblech sehr nah.
Aus diesem Grunde habe ich den Stecker an der Düse entfernt, Leitungen angelötet, die Düsen um 180° gedreht und einen neuen AMP Junior Timer gesetzt.
Angesteuert werden von der MS jeweils die Düse 1+3 und 2+4. Hier sieht man auch die geringe Höhe der MSS Ansaugstutzen. Zündung, Triggerung:
Getriggert wird mit einem ganz originalen Zündverteiler vom WBX (MV) mit Hallgeber.
Die Zündspule ist eine gewöhnliche, wie man sie aus dem Golf 3 oder 1600i kennt. Sie hat die Verstärkerstufe gleich integriert und kann direkt von der MS angesteuert werden. Nachdem ich verstanden hatte, dass bei meiner Art der Triggerung zwei verschiedene Signale genommen werden war einiges klar.
Beim Anlassen nimmt die MS den Trigger, also wenn der Blechtopf im Verteiler den Hallgeber bedeckt (unbedeckt-->bedeckt). Der Winkel ist fix und muss über die Verteilerstellung eingestellt werden (bei mir 10°v.OT).
Wenn der Motor läuft, nimmt die MS den "Trigger return" also den Wechsel von bedeckt nach unbedeckt. Der kommt bei mir 75°v.OT. Wichtig ist dabei, dass der Verteilerfinger dabei bei max. Vorzündung immer noch eine brauchbare Stellung zum Abnehmer im Verteilerdeckel hat. Ansonsten droht der Funke an die falsche Kerze zu springen.
Der Motor läuft schon mal recht rund mit der neuen Zündung!
Drosselklappen:
Die Webervergaser (40IDF82/83) wurden um einen TPS erweitert und dienen als Drosselklappenbody ohne Venturi. Anstelle des Venturi und des Zerstäubers kamen durchgehende Aluhülsen. Der Sensor kommt von Conrad: http://www.conrad.de/ce/de/product/1828 ... r?ref=list Verdrahtung/Kabelbaum:
Sämtliche Steckverbindungen wurden mit AMP Junior Timer Steckern ausgeführt. Sie sind aus dem Automotive Bereich und leicht verfügbar.
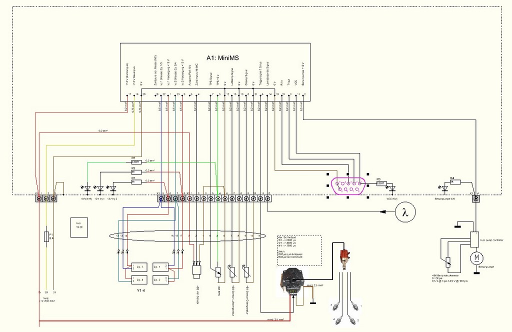
Zwischen der MS (unter der Rückbank) und dem Motorraum verläuft ein Ölflexkabel mit 21 beschrifteten Adern. Spritversorgung:
Das System hat nur eine Zuleitung, ist also ein Einleitungssystem.
Aus diesem Grunde befindet sich am Fuelrail ein Benzindrucksensor.
In Kombination mit dem Benzinpumpenregler (Link) wird der Benzindruck konstant gehalten. Die Benzinpumpe ist eine gewöhnliche von Bosch. http://www.ebay.de/sch/?_nkw=benzinpump ... 0909590698
Weil die Benzinpumpe saugseitig einen 12mm Anschluss hat, habe ich beschlossen vom Tank bis zur Pumpe alles in 12mm Durchmesser auszuführen.
Der Tank hat einen 12 mm Stutzen bekommen (zum Vergleich der alte Stutzen mit 8mm!) und zwischen Tank und Bezinpumpe kommt ein Benzinfilter vom Peugeot (es war verdammt schwer einen Filter mit 12mm zu finden). Das Volumen des Filters (137ccm) und der Schläuche (56ccm) wird mein Cache sein. Da ich den Sprit nicht im Kreis pumpe, sollte dieses Volumen als Ersatz einer Schwimmerkammer ausreichend sein.
Megasquirt:
Ich verwende einen Baussatz der MiniMS mit MS1Extra Code.
Kleine Modifikationen lassen nun zu, dass ich direkt mit dem Hallgeber triggern und die Zündspule ansteuern kann.
Abgasmessung:
Ich verwende einen Controller von 14point7. Die Abwicklung mit Alan funktioniert reibungslos und er bietet recht guten Support.
http://www.14point7.com/products/sigma- ... ller-diy-2
Sonstige Sensoren:
Für die Erfassung der Luft- und Öltemperatur benutze ich Sensoren von Conrad.
http://www.conrad.de/ce/de/product/1881 ... i?ref=list
Ich werde hier im Text die Änderungen einfügen, damit man es schöner lesen kann.
Gruß
Markus
P.S.
Ich werde oft nach den Kosten gefragt und versuche es hier mal zusammen zu zählen.
Stecker, Kleinteile: keine Ahnung, aber bestimmt auch 50,- €
Benzinpumpe: 75,-
Benzinfilter: 10,- €
Einspritzventile: 110,- €
Benzindrucksensor: 24,- €
Fuelrail: war ein Geschenk
Verteiler: Stammt aus einer WBX Schlachtung - hat mich also nix gekostet
MSmini Platine: Sammelbestellung aus dem MS Forum für ich glaube um die 20,- €
Bauteile für die Platine: ganz schön schwer zu sagen nach so langer Zeit, aber ich denke um die 100,- €
Macht über den Daumen gepeilt und optimistisch gerechnet so ca. 400,- €
Ehrlicherweise muss man aber schon sagen, dass ich z.B. die Ansaugstutzen im Rahmen des Einbaus der Zentralluftfilteranlage schon mit Aufnahme für Einspritzventile gekauft habe. Ansonsten müsste ich die nun auch noch dazu rechnen und evtl. noch Drosselklappengehäuse. Auch bin ich noch nicht am Ende angelangt und so fließen sicher noch weitere Euros in das Projekt.
ich habe nun meinen Umbau auf Megasquirt endlich gestartet.
Fange ich mal an die Schritte zu beschreiben:
Einspritzdüsen:
Für die Einspritzdüsen benutze ich Ansaugrohre mit Aufnahme für die Düsen von MSS.
Die Düsen selbst sind von einer 1200er GS von BMW. Weil die Düsen kürzer als normale Bosch-Düsen sind kommen deren Stecker dem Dreiecksblech sehr nah.
Aus diesem Grunde habe ich den Stecker an der Düse entfernt, Leitungen angelötet, die Düsen um 180° gedreht und einen neuen AMP Junior Timer gesetzt.
Angesteuert werden von der MS jeweils die Düse 1+3 und 2+4. Hier sieht man auch die geringe Höhe der MSS Ansaugstutzen. Zündung, Triggerung:
Getriggert wird mit einem ganz originalen Zündverteiler vom WBX (MV) mit Hallgeber.
Die Zündspule ist eine gewöhnliche, wie man sie aus dem Golf 3 oder 1600i kennt. Sie hat die Verstärkerstufe gleich integriert und kann direkt von der MS angesteuert werden. Nachdem ich verstanden hatte, dass bei meiner Art der Triggerung zwei verschiedene Signale genommen werden war einiges klar.
Beim Anlassen nimmt die MS den Trigger, also wenn der Blechtopf im Verteiler den Hallgeber bedeckt (unbedeckt-->bedeckt). Der Winkel ist fix und muss über die Verteilerstellung eingestellt werden (bei mir 10°v.OT).
Wenn der Motor läuft, nimmt die MS den "Trigger return" also den Wechsel von bedeckt nach unbedeckt. Der kommt bei mir 75°v.OT. Wichtig ist dabei, dass der Verteilerfinger dabei bei max. Vorzündung immer noch eine brauchbare Stellung zum Abnehmer im Verteilerdeckel hat. Ansonsten droht der Funke an die falsche Kerze zu springen.
Der Motor läuft schon mal recht rund mit der neuen Zündung!
Drosselklappen:
Die Webervergaser (40IDF82/83) wurden um einen TPS erweitert und dienen als Drosselklappenbody ohne Venturi. Anstelle des Venturi und des Zerstäubers kamen durchgehende Aluhülsen. Der Sensor kommt von Conrad: http://www.conrad.de/ce/de/product/1828 ... r?ref=list Verdrahtung/Kabelbaum:
Sämtliche Steckverbindungen wurden mit AMP Junior Timer Steckern ausgeführt. Sie sind aus dem Automotive Bereich und leicht verfügbar.
Zwischen der MS (unter der Rückbank) und dem Motorraum verläuft ein Ölflexkabel mit 21 beschrifteten Adern. Spritversorgung:
Das System hat nur eine Zuleitung, ist also ein Einleitungssystem.
Aus diesem Grunde befindet sich am Fuelrail ein Benzindrucksensor.
In Kombination mit dem Benzinpumpenregler (Link) wird der Benzindruck konstant gehalten. Die Benzinpumpe ist eine gewöhnliche von Bosch. http://www.ebay.de/sch/?_nkw=benzinpump ... 0909590698
Weil die Benzinpumpe saugseitig einen 12mm Anschluss hat, habe ich beschlossen vom Tank bis zur Pumpe alles in 12mm Durchmesser auszuführen.
Der Tank hat einen 12 mm Stutzen bekommen (zum Vergleich der alte Stutzen mit 8mm!) und zwischen Tank und Bezinpumpe kommt ein Benzinfilter vom Peugeot (es war verdammt schwer einen Filter mit 12mm zu finden). Das Volumen des Filters (137ccm) und der Schläuche (56ccm) wird mein Cache sein. Da ich den Sprit nicht im Kreis pumpe, sollte dieses Volumen als Ersatz einer Schwimmerkammer ausreichend sein.
Megasquirt:
Ich verwende einen Baussatz der MiniMS mit MS1Extra Code.
Kleine Modifikationen lassen nun zu, dass ich direkt mit dem Hallgeber triggern und die Zündspule ansteuern kann.
Abgasmessung:
Ich verwende einen Controller von 14point7. Die Abwicklung mit Alan funktioniert reibungslos und er bietet recht guten Support.
http://www.14point7.com/products/sigma- ... ller-diy-2
Sonstige Sensoren:
Für die Erfassung der Luft- und Öltemperatur benutze ich Sensoren von Conrad.
http://www.conrad.de/ce/de/product/1881 ... i?ref=list
Ich werde hier im Text die Änderungen einfügen, damit man es schöner lesen kann.
Gruß
Markus
P.S.
Ich werde oft nach den Kosten gefragt und versuche es hier mal zusammen zu zählen.
Stecker, Kleinteile: keine Ahnung, aber bestimmt auch 50,- €
Benzinpumpe: 75,-
Benzinfilter: 10,- €
Einspritzventile: 110,- €
Benzindrucksensor: 24,- €
Fuelrail: war ein Geschenk
Verteiler: Stammt aus einer WBX Schlachtung - hat mich also nix gekostet
MSmini Platine: Sammelbestellung aus dem MS Forum für ich glaube um die 20,- €
Bauteile für die Platine: ganz schön schwer zu sagen nach so langer Zeit, aber ich denke um die 100,- €
Macht über den Daumen gepeilt und optimistisch gerechnet so ca. 400,- €
Ehrlicherweise muss man aber schon sagen, dass ich z.B. die Ansaugstutzen im Rahmen des Einbaus der Zentralluftfilteranlage schon mit Aufnahme für Einspritzventile gekauft habe. Ansonsten müsste ich die nun auch noch dazu rechnen und evtl. noch Drosselklappengehäuse. Auch bin ich noch nicht am Ende angelangt und so fließen sicher noch weitere Euros in das Projekt.
Zuletzt geändert von Bugbear am So 8. Mär 2015, 17:27, insgesamt 15-mal geändert.
Grüße Markus
Re: Weber --> MS / 009 --> Kennfeld
Super, danke für den Umbaubericht. Bin auf Updates gespannt !
Re: Weber --> MS / 009 --> Kennfeld
#mirles#
1192ccm = 100,64PS
1385ccm = 148,00PS
Es gibt nichts Gutes....ausser man tut es...SELBER!
Die Motoren der Serie 1200 sind für den Betrieb rund um die Uhr ausgelegt, unabhängig von den von Ihnen gewählten Umgebungsbedingungen.
1385ccm = 148,00PS
Es gibt nichts Gutes....ausser man tut es...SELBER!
Die Motoren der Serie 1200 sind für den Betrieb rund um die Uhr ausgelegt, unabhängig von den von Ihnen gewählten Umgebungsbedingungen.
Re: Weber --> MS / 009 --> Kennfeld
Hallo Markus
Kann es sein , dass die Düsen kürzer sind, als die Normalen Boschdüsen ?
http://kaefer.motor-sport-service.de/ht ... re_32.html
Kann es sein , dass die Düsen kürzer sind, als die Normalen Boschdüsen ?
http://kaefer.motor-sport-service.de/ht ... re_32.html
ciao Markus
Rechtschreibfehler sind beabsichtigt und dienen der allgemeinen Belustigung
Rechtschreibfehler sind beabsichtigt und dienen der allgemeinen Belustigung
- B. Scheuert
- Beiträge: 8944
- Registriert: Do 5. Dez 2013, 19:00
- Käfer: 1303
- Wohnort: anne Ruhr zu Hause
Re: Weber --> MS / 009 --> Kennfeld
Ich wünsche mal gutes Gelingen. Hoffentlich endet es nicht wie bei der Einspritzgeschichte von Gurschler Tech.
Der scheint daran geplatzt zu sein
Lötverbindung an den Injektoren gefällt mir gut. Das sollte halten. Wenn ich da an diverse Serienautomobile aus französischer Fertigung denke, bei den das Wasser aus der Waschdüse sich durch den wasserdichten Stecker frißt und alles korrodiert
Der scheint daran geplatzt zu sein
Lötverbindung an den Injektoren gefällt mir gut. Das sollte halten. Wenn ich da an diverse Serienautomobile aus französischer Fertigung denke, bei den das Wasser aus der Waschdüse sich durch den wasserdichten Stecker frißt und alles korrodiert
- Bugbear
- Beiträge: 816
- Registriert: Do 1. Jul 2010, 20:32
- Fahrzeug: zu viele
- Wohnort: Augschburger Land
Re: Weber --> MS / 009 --> Kennfeld
Hallo Markus,Darkmo hat geschrieben:Hallo Markus
Kann es sein , dass die Düsen kürzer sind, als die Normalen Boschdüsen ?
http://kaefer.motor-sport-service.de/ht ... re_32.html
sorry, dass ich das gestern Nacht nicht mehr korrekt ausgeführt habe. Ich bin mit deinen Ansaugstutzen absolut zufrieden.
Das Platzproblem zu den Dreiecksblechen habe ich nur, weil ich so extrem kurze Düsen verwende.
Grüße
Markus
Grüße Markus
Re: Weber --> MS / 009 --> Kennfeld
Ich gebe Infos ja gerne weiter.Bugbear hat geschrieben:Hallo Markus,Darkmo hat geschrieben:Hallo Markus
Kann es sein , dass die Düsen kürzer sind, als die Normalen Boschdüsen ?
http://kaefer.motor-sport-service.de/ht ... re_32.html
sorry, dass ich das gestern Nacht nicht mehr korrekt ausgeführt habe. Ich bin mit deinen Ansaugstutzen absolut zufrieden.
Das Platzproblem zu den Dreiecksblechen habe ich nur, weil ich so extrem kurze Düsen verwende.
Grüße
Markus
Bei der Entwicklung der Ansaugrohre hatte ich die gängigen EV6 Ventile und einen 1600i zum anpassen.
Die Idee mit dem Anlöten ist aber gut. Werde ich mir mal merken-
Ich Wünsche noch viel Erfolg mit dem Umbau.
Mich interessiert auch die
Spritversorgung:
Das System hat nur eine Zuleitung, ist also ein Einleitungssystem.
Aus diesem Grunde befindet sich am Fuelrail ein Benzindrucksensor. In Kombination mit dem Benzinpumpenregler (Link) wird der Benzindruck konstant gehalten.
Die Benzinpumpe ist eine gewöhnliche von Bosch. Direkt nach dem Tank dient ein großer Benzinfilter von MANN als Cachetank.
ciao Markus
Rechtschreibfehler sind beabsichtigt und dienen der allgemeinen Belustigung
Rechtschreibfehler sind beabsichtigt und dienen der allgemeinen Belustigung
- Aircooled Cruiser
- Beiträge: 1085
- Registriert: Mo 16. Jan 2012, 21:12
- Wohnort: Lauenburg
Re: Weber --> MS / 009 --> Kennfeld
Schöner Bericht
Kannst du bitte ein zwei Bilder reinstellen, wie du den TPS am Gaser/mit dem Gaser verbunden hast
und welchen Spritfilter genau (Bilder?!) du als CacheTank benutzt.
Kannst du bitte ein zwei Bilder reinstellen, wie du den TPS am Gaser/mit dem Gaser verbunden hast
und welchen Spritfilter genau (Bilder?!) du als CacheTank benutzt.
Aircooled Greetings
Martin
Martin
Re: Weber --> MS / 009 --> Kennfeld
Ein Catchtank braucht eine Be/Entlüftung.Sonst funktioniert das nicht!!!
1192ccm = 100,64PS
1385ccm = 148,00PS
Es gibt nichts Gutes....ausser man tut es...SELBER!
Die Motoren der Serie 1200 sind für den Betrieb rund um die Uhr ausgelegt, unabhängig von den von Ihnen gewählten Umgebungsbedingungen.
1385ccm = 148,00PS
Es gibt nichts Gutes....ausser man tut es...SELBER!
Die Motoren der Serie 1200 sind für den Betrieb rund um die Uhr ausgelegt, unabhängig von den von Ihnen gewählten Umgebungsbedingungen.
- Bugbear
- Beiträge: 816
- Registriert: Do 1. Jul 2010, 20:32
- Fahrzeug: zu viele
- Wohnort: Augschburger Land
Re: Weber --> MS / 009 --> Kennfeld
Tja, viele Bilder habe ich gerade nicht, aber ich kann es dir beschreiben.Aircooled Cruiser hat geschrieben:Schöner Bericht![]()
Kannst du bitte ein zwei Bilder reinstellen, wie du den TPS am Gaser/mit dem Gaser verbunden hast
und welchen Spritfilter genau (Bilder?!) du als CacheTank benutzt.
Da die 82/83 genauso wie die 68/69 Weber im Vergleich zu den spanischen 70 kein Gewinde am Ende der Drosselklappenwelle überstehen haben musste getrickst werden.
Die Welle wurde von Weber mit einer Platte abgeschlossen und das Wellenende im Stil eines Niet umgebördelt.
Auf diese Platte wurde nun eine zusätzliche Platte mit Stift fürs Poti geklebt. Das Poti selbst wird von einem Aluwinkel gehalten.
Ein Dank hierfür nochmal an "meinen" Dreher Robby!
Grüße Markus
- Bugbear
- Beiträge: 816
- Registriert: Do 1. Jul 2010, 20:32
- Fahrzeug: zu viele
- Wohnort: Augschburger Land
Re: Weber --> MS / 009 --> Kennfeld
Ich will jetzt nicht das Gegenteil behaupten, aber hauptsächlich soll doch vermieden werden, dass in Kurven Luft angesaugt wird, oder?Poloeins hat geschrieben:Ein Catchtank braucht eine Be/Entlüftung.Sonst funktioniert das nicht!!!
Wenn nun so ein großer Benzinfilter senkrecht steht, dann sollte der immer voller Sprit sein. Das Aunsaugen von Luft kann dann nicht mehr (so schnell) passieren.
Der Benzinfilter ist ein Filter aus dem WBX.

Grüße Markus
- Bugbear
- Beiträge: 816
- Registriert: Do 1. Jul 2010, 20:32
- Fahrzeug: zu viele
- Wohnort: Augschburger Land
Re: Weber --> MS / 009 --> Kennfeld
So heute nach der ganzen Gartenarbeit war am Abend etwas Zeit für die MS.
Triggersignal vom Hallgeber kommt an der MS an
MS steuer das Zündmodul korrekt an
Aktuell ist der Zündzeitpunkt aber noch nicht richtig.
Evtl. morgen geht's weiter - bin zuversichtlich, dass durch eine Invertierung des Zündausgangs das Problem behoben werden kann.
Triggersignal vom Hallgeber kommt an der MS an
MS steuer das Zündmodul korrekt an
Aktuell ist der Zündzeitpunkt aber noch nicht richtig.
Evtl. morgen geht's weiter - bin zuversichtlich, dass durch eine Invertierung des Zündausgangs das Problem behoben werden kann.
Grüße Markus
- Aircooled Cruiser
- Beiträge: 1085
- Registriert: Mo 16. Jan 2012, 21:12
- Wohnort: Lauenburg
Re: Weber --> MS / 009 --> Kennfeld
Sehr schöner Halter für den Poti, stehe vor dem gleichem Problem, daß ich kleben muß, da meine Weber auch nur die "Platte" am Wellenende haben. Möchte auch erst mal die Zündung zum laufen bekommen, bevor ich ganz auf Spritze gehe.
Schön weiter berichten
...........
Schön weiter berichten
Aircooled Greetings
Martin
Martin
- B. Scheuert
- Beiträge: 8944
- Registriert: Do 5. Dez 2013, 19:00
- Käfer: 1303
- Wohnort: anne Ruhr zu Hause
Re: Weber --> MS / 009 --> Kennfeld
Das würde ich auch so sehen. Wer nicht gerade Rundstrecke fährt sollte damit klarkommen.Bugbear hat geschrieben:Ich will jetzt nicht das Gegenteil behaupten, aber hauptsächlich soll doch vermieden werden, dass in Kurven Luft angesaugt wird, oder?Poloeins hat geschrieben:Ein Catchtank braucht eine Be/Entlüftung.Sonst funktioniert das nicht!!!
Wenn nun so ein großer Benzinfilter senkrecht steht, dann sollte der immer voller Sprit sein. Das Aunsaugen von Luft kann dann nicht mehr (so schnell) passieren.
Der Benzinfilter ist ein Filter aus dem WBX.
- Bugbear
- Beiträge: 816
- Registriert: Do 1. Jul 2010, 20:32
- Fahrzeug: zu viele
- Wohnort: Augschburger Land
Re: Weber --> MS / 009 --> Kennfeld
Endlich wieder am Käfer weiter machen können und was soll ich sagen? Die Scheiße läuft!!!
Am Anfang hatte ich noch Probleme als Anfänger die richtigen Werte für die Triggerung mit Hallgeber und Verteiler anstatt Zahnrad zu finden. Aber nun läuft er.
Und bisher ohne fremde Hilfe!
Details habe ich im ersten Beitrag eingefügt.
Ich gfrei mi so!
http://youtu.be/vNrMuEs6I5E
Am Anfang hatte ich noch Probleme als Anfänger die richtigen Werte für die Triggerung mit Hallgeber und Verteiler anstatt Zahnrad zu finden. Aber nun läuft er.
Und bisher ohne fremde Hilfe!
Details habe ich im ersten Beitrag eingefügt.
Ich gfrei mi so!
http://youtu.be/vNrMuEs6I5E
Zuletzt geändert von Bugbear am So 18. Mai 2014, 19:59, insgesamt 1-mal geändert.
Grüße Markus