Verständnisfrage Warnblinker

Verkabelung, Beleuchtung, Radio & Sound - ob auf 6V oder 12V
Antworten
Olfried
Beiträge: 1
Registriert: Sa 25. Nov 2017, 16:32

Verständnisfrage Warnblinker

Beitrag von Olfried »

Hallo,
es ist zwar kein Käfer, aber vielleicht kann mir trotzdem jemand helfen.

Wir haben hier in Kiel einen schönen alten Trecker, bei dem der Warnblinkschalter defekt zu sein scheint.

Von innen sieht der so aus:
20171120_080326.jpg
20171120_080326.jpg (81.32 KiB) 3145 mal betrachtet
Ich weiss nicht, was kaputt ist, aber was ich sehe ist ein Hitzedraht und eine Feder.
Ich nehme stark an, dass das ein antiker Taktgeber ist.

Wir haben uns nun bei Hella einen neuen Warnblinker gekauft. Der sieht so aus:
hella.PNG
hella.PNG (292.34 KiB) 3145 mal betrachtet
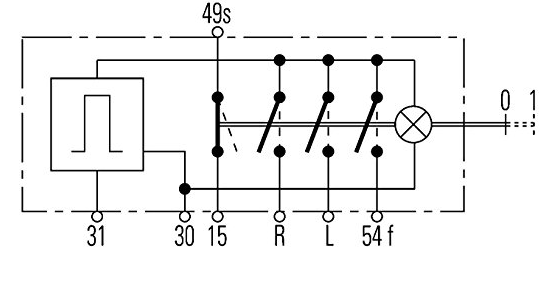
Der Plan dazu:
schaltung_hella.PNG
schaltung_hella.PNG (36.91 KiB) 3145 mal betrachtet

Wir haben den Schalter nun angeschlossen, dazugekommen ist lediglich ein Massekabel, welches wohl wegen der Lampe dran ist, die dazu gekommen ist.
Beim alten Schalter war keine Leuchtfunktion.

Aber statt den Dienst anzutreten hat der Schalter nur ein paar mal "geklackert", wenn wir Masse drangehalten haben.
Wir haben den Verdacht, dass da der noch vorhandene Blinkgeber reinpfuscht.

Ich habe den neuen Schalter einmal aufgemacht und gesehen, dass da zwar keine Hitzedraht mehr drin ist, dafür aber zwei Tranisitoren, zwei Elkos, ein paar Widerstände
und ein Relais. Wenn das man kein astabiler Multivibrator ist:-)

Inzwischen habe ich mal auf dem Basteltisch versucht, den Schalter zum Blinken zu bringen, also ohne Blinker dran. Ist ja schliesslich ein Relais.
Ich habe Pin 31 auf Masse, Pin 30 auf Plus gelegt und den Schalter gezogen.

Erwartet hätte ich eigentlich, dass der Knopf nuun blinkt, tut er aber nicht.

Und nun, nach dem endlosen Gerede, endlich meine Verstädnisfrage:-)

Funktioniert der Warnblinkschalter überhaupt ohne Blinkrelais? Ist also der astabile Multivibrator dafür da, die Blinker blinken zu lassen und
er müsste auch auf dem Basteltisch laufen? Oder braucht man zusätzlich noch den Blinkgeber. Welche Funktion sollte dann der Multivibrator und das Relais haben?

Oder kann es sein, dass wir das Teil geschrottet haben?

Welchen (günstigeren) könnte man nehmen?

Vielen Dank fürs Lesen
Olaf
Benutzeravatar
Meister Eder
Beiträge: 459
Registriert: So 6. Jun 2010, 13:46
Käfer: 83er Mexiko Leistungsoptimiert
Fahrzeug: Kitcar "Lolette" auf Käferbasis
Wohnort: Salzkotten scharmede

Re: Verständnisfrage Warnblinker

Beitrag von Meister Eder »

Beim Käfer hat der Warnblinkschalter keinen Taktgeber. Da wird - ohne Blinkrelais - nix blinken.
Bei meinem Kitcar - aus Südafrika- ist ein Warnblinkschalter aus einem Landcruiser verbaut. Das war für mich auch nicht so einfach, zum Glück konnte mit ein ehemaliger Bosch elektriker bei verständnissfragen weiterhelfen. Nun hat der Blinker und der Warnblinker eine etwas andere Taktzahl. Könnte Dir eventuell noch den Link zur Landcruiserseite raussuchen.
gruß
Meister Eder / Martin
Questus
Beiträge: 641
Registriert: Di 19. Aug 2014, 16:32
Fahrzeug: FORD F 100 shortbed stepside von 53
Wohnort: in Stormarn, das ist oben in SH

Re: Verständnisfrage Warnblinker

Beitrag von Questus »

Moin Olaf

hier wirst Du geholfen https://www.m-u-s.com/downloads/bedienu ... /61002.pdf

denn dort hast Du sehr gut gemachte Basics Pläne.

Ich selbst habe diesen Warnblinker (der wie der Hella aufgebaut ist, aber besser & preiswerter ist)
in Käfer 6 V MASSE ist minus
in Käfer 12 V MASSE ist minus
und im FORD A von 1928 6 V MASSE ist PLUS !!
eingebaut !

für jede denkbare Anwendung ist der besondere Schaltplan da zu finden
klar musst Du den std Blinkgeber im Fahrzeug haben !!
Viel rumlabern bringt wenig, da rein schauen und die grauen Zellen auch mal was tun lassen! :laughing-rofl:

:character-oldtimer:
hol di fuchtig

QUESTUS
Antworten