Schaltplan für VW Buggy

Antworten
Buggypower2015
Beiträge: 32
Registriert: So 7. Jun 2015, 17:28
Fahrzeug: VW BUggy Apal L

Schaltplan für VW Buggy

Beitrag von Buggypower2015 »

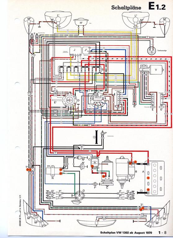
Hallo aus Köln, da beim Apal L doch die Verkabelung absolute Katastrophe ist, habe hier mal einen Schaltplan.
Ich habe die Türkontakte und sonstiges entfernt, sollte eigentlich so klappen.

Im Winter werde ich anfangen mit der neuen Verkabelung.
Motor kommt zur komplett Überholung weg, und das Auto zum Lackierer :)

Wer den Schaltplan in besserer Qualität haben möchte, einfach eine EMail


Bild]
Benutzeravatar
Fuss-im-Ohr
Beiträge: 6678
Registriert: So 27. Jan 2013, 12:06
Käfer: (o\_|_/o) 1200er Bj.69 mit Strom
Käfer: (o\_|_/o) 1200er Bj.84 als Ersatzteileträger
Karmann: {O o| |o O} Typ 34 Bj.66
Wohnort: PAF-Vohburg a.d.Donau

Re: Schaltplan für VW Buggy

Beitrag von Fuss-im-Ohr »

find ich eine super Idee, lade das Bild doch als Datei hoch, dann braucht dich keiner damit zu nerven wenn er das braucht
evtl finden sich noch andere die es weiter bearbeiten/ändern wollen
warum hast nicht gleich den genommen, der hat die Servicedose (die orangen Punkte) noch nicht, oder hat dein Buggy eine? http://www.vintagebus.com/wiring/1302_f ... socket.jpg

Gruss Jürgen
„Furcht führt zu Wut, Wut führt zu Hass und Hass führt zu unsäglichem Leid.“
Buggypower2015
Beiträge: 32
Registriert: So 7. Jun 2015, 17:28
Fahrzeug: VW BUggy Apal L

Re: Schaltplan für VW Buggy

Beitrag von Buggypower2015 »

Danke für den Link, eine Servicedose hat er natürlich nicht :confusion-scratchheadyellow:

Jetzt muss ich noch herausfinden (lesen) wie ich eine Datei hochlade :confusion-scratchheadyellow:

Gruß Günter aus Köln
Benutzeravatar
Fuss-im-Ohr
Beiträge: 6678
Registriert: So 27. Jan 2013, 12:06
Käfer: (o\_|_/o) 1200er Bj.69 mit Strom
Käfer: (o\_|_/o) 1200er Bj.84 als Ersatzteileträger
Karmann: {O o| |o O} Typ 34 Bj.66
Wohnort: PAF-Vohburg a.d.Donau

Re: Schaltplan für VW Buggy

Beitrag von Fuss-im-Ohr »

beim Antworten kannst du etwas weiter unten eine Datei auswählen
Bildschirmfoto1.png
Bildschirmfoto1.png (17.08 KiB) 11945 mal betrachtet
Gruss Jürgen
„Furcht führt zu Wut, Wut führt zu Hass und Hass führt zu unsäglichem Leid.“
Buggypower2015
Beiträge: 32
Registriert: So 7. Jun 2015, 17:28
Fahrzeug: VW BUggy Apal L

Re: Schaltplan für VW Buggy

Beitrag von Buggypower2015 »

Danke, habe den Schaltplan geändert und als Datei hinzugefügt.

Gute Auflösung

OK.jpg


Gruß aus Köln

:obscene-drinkingcheers:
Dateianhänge
OK.jpg
OK.jpg (94.29 KiB) 11855 mal betrachtet
Benutzeravatar
RuskaBuggy
Beiträge: 20
Registriert: Mo 24. Dez 2012, 12:50
Wohnort: Solingen
Kontaktdaten:

Re: Schaltplan für VW Buggy

Beitrag von RuskaBuggy »

Wie kann ich denn die Datei aufmachen???
Buggypower2015
Beiträge: 32
Registriert: So 7. Jun 2015, 17:28
Fahrzeug: VW BUggy Apal L

Re: Schaltplan für VW Buggy

Beitrag von Buggypower2015 »

Kati
Beiträge: 1
Registriert: Mi 24. Mai 2017, 14:15

Re: Schaltplan für VW Buggy

Beitrag von Kati »

kannst du mir bitte den Schaltplan vom Buggy mailen an: chupitosibiza@yahoo.de
Das wär super lieb. Danke

Ich bin neu hier im Forum und suche einen farbigen Schaltplan für einen Hindenburg Bayreuth Albar Buggy ES Baujahr 1988.
Antworten