Seite 1 von 1
1302 Was fehlt da ?? Kann mir jemand helfen?
Verfasst: Mo 17. Jan 2011, 22:09
von Käfersucher
Hallo Zusammen,
ich bin gerade dabei mein neues Projekt auseinander zu bauen.
Wer kann mir sagen welches Teil zwischen dem Luftkasten und dem Luftverteilern sitzen muss
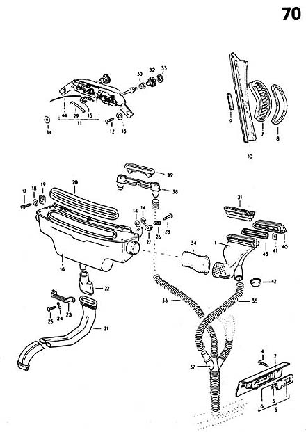
Damit ihr wisst was ich mein hier ein Foto.

Vielleicht hat ja jemand ein Foto für mich damit ich weiß nach welchen Teilen ich suchen muss.
Gruß
Stefan
Re: 1302 Was fehlt da ?? Kann mir jemand helfen?
Verfasst: Mo 17. Jan 2011, 22:54
von Poloeins
Da gehört eiun Rohr zwischen.Aber Der Kasten ist der Falsche.Das Rohr muss den selben Durchmesser haben wie das Kniestück...Wir können gern mal in meinem Müll wühlen ob ioch da noch was passendes zum Endsorgen für dich habe:-D
Re: 1302 Was fehlt da ?? Kann mir jemand helfen?
Verfasst: Di 18. Jan 2011, 17:14
von Käfersucher
Ne Lars ich glaube da liegst Du ein wenig falsch!
Habe mich mal in einem anderem Forum informiert.
Da sind wohl ein paar mehr 1302 Fans unterwegs
http://www.bugnet.de/forum/msg/658240.html
Re: 1302 Was fehlt da ?? Kann mir jemand helfen?
Verfasst: Di 18. Jan 2011, 22:27
von Poloeins
Dann müsste das ja zwei Durchmesser haben...unwarscheinlich...aber mit 02 habe ich verdammt wenig zu tun gehabt...
Re: 1302 Was fehlt da ?? Kann mir jemand helfen?
Verfasst: Mi 19. Jan 2011, 01:36
von sunnybug84
nee lars, einmal scheibstes rein und auf der anderen seite drüber. innen und außendurchmesser usw....

Re: 1302 Was fehlt da ?? Kann mir jemand helfen?
Verfasst: Mi 19. Jan 2011, 09:44
von bugweiser
wenns die 34 ist ist das so ein Faltenrohr? Hat das nicht jeder Mex-Käfer auch?
Re: 1302 Was fehlt da ?? Kann mir jemand helfen?
Verfasst: Mi 19. Jan 2011, 20:59
von sunnybug84
das ist doch sonst son gewebeschlauch dingens oder? ziemlich dick
Re: 1302 Was fehlt da ?? Kann mir jemand helfen?
Verfasst: Mi 19. Jan 2011, 21:52
von Käfersucher
So ich habe jetzt mal geschaut was da so passen könnte, es waren ja ein paar Teile dabei
hier die Schläuche leider habe ich kein besseres Foto (roter Kreis)

Re: 1302 Was fehlt da ?? Kann mir jemand helfen?
Verfasst: Do 20. Jan 2011, 22:56
von bugweiser
die Teile müßten das sein. Die sind wie ein Faltenbalg.
Re: 1302 Was fehlt da ?? Kann mir jemand helfen?
Verfasst: Fr 21. Jan 2011, 18:17
von Meister Eder
Ich habe auch ein 1302 Gebläse in meinen Mexikaner eingebaut, dabei aber kein Größenunterschied in den Anschlüssen festgestellt. Duch einen Faltenschlauch eines Durchmessers konnte ich diese Verbinden.