Hallo zusammen
gibt es jemanden der eine Seilzugbremse (Ovali Bj. 53) auf Ein- oder Zweikreis Bremssystem hydraulisch
umgebaut hat? Die Frage stellt sich mir grundsätzlich ob das machbar ist. Theoretisch gehe ich mal davon
aus das das zu realisieren ist, den Kostenaufwand lassen wir mal außen vor, irgendwie bin ich von der alten Technik doch nicht sonderlich überzeugt.
Ein Fahrgestelltausch kommt vorerst wegen der Originalität noch nicht in Frage.
Danke Euch für Ideen und Anregungen
Gruß Ollo
Umbau Seilzug auf ein- oder Zweikreis
Forumsregeln
Die Bremsanlage gehört zu den sicherheitsrelevanten Teilen am Fahrzeug und an ihr darf nicht von Laien bzw. nur unter fachkundiger Aufsicht gearbeitet werden.
Bei Problemen oder Unklarheiten an der Bremsanlage immer zur Fachwerkstatt!
Es geht um Eure und die Sicherheit anderer Verkehrsteilnehmer.
Die Bremsanlage gehört zu den sicherheitsrelevanten Teilen am Fahrzeug und an ihr darf nicht von Laien bzw. nur unter fachkundiger Aufsicht gearbeitet werden.
Bei Problemen oder Unklarheiten an der Bremsanlage immer zur Fachwerkstatt!
Es geht um Eure und die Sicherheit anderer Verkehrsteilnehmer.
-
Ollo1303RS
- Beiträge: 120
- Registriert: Di 10. Jan 2012, 16:23
- Kontaktdaten:
-
müller-daum
- Beiträge: 864
- Registriert: Sa 27. Nov 2010, 04:23
- Käfer: Ovali Standard FSD 1955
- Käfer: Cabrio
- Fahrzeug: Kreidler RS 1968
- Fahrzeug: Puck 1965
- Fahrzeug: Pan 1968
- Fahrzeug: Nachläufer Fa. Stolz Berlin
- Wohnort: Duisburg
Re: Umbau Seilzug auf ein- oder Zweikreis
Hallo Ollo,
ich mache das gerade bei einem Brezelfahrgestell.
Gruß
Hans Müller-Daum
ich mache das gerade bei einem Brezelfahrgestell.
Gruß
Hans Müller-Daum
- Dateianhänge
-
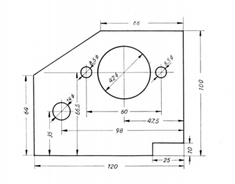
- HB-0058 Umbau Seilzug Hydraulik Schablone.png (32.25 KiB) 1784 mal betrachtet
-
- Führungsblech Bremsdruckstange.png (170.59 KiB) 1784 mal betrachtet
-
müller-daum
- Beiträge: 864
- Registriert: Sa 27. Nov 2010, 04:23
- Käfer: Ovali Standard FSD 1955
- Käfer: Cabrio
- Fahrzeug: Kreidler RS 1968
- Fahrzeug: Puck 1965
- Fahrzeug: Pan 1968
- Fahrzeug: Nachläufer Fa. Stolz Berlin
- Wohnort: Duisburg
Re: Umbau Seilzug auf ein- oder Zweikreis
Im Archiv der Brezelfenstervereinigung findest du unter HB-0058 eine Umbauanleitung von Seilzug auf Hydraulik.Ich habe dies und weiteres nicht hochladen können.So z.B. die Maße für die Anschweißbleche.Kontaktiere mich unter mueller-daum@web.de
Gruß
Hans Müller-Daum
Gruß
Hans Müller-Daum
-
Ollo1303RS
- Beiträge: 120
- Registriert: Di 10. Jan 2012, 16:23
- Kontaktdaten:
Re: Umbau Seilzug auf ein- oder Zweikreis
@ Hans Müller-Daum
danke dir, melde mich spätestens am Montag bei dir.
(eine Möglichkeit für große Datenmengen ist über wetransfer mit der Option den
Downloadlink per mail oder link zu verschicken)
danke dir, melde mich spätestens am Montag bei dir.
(eine Möglichkeit für große Datenmengen ist über wetransfer mit der Option den
Downloadlink per mail oder link zu verschicken)