Problem mit Endschalldämpfer

Antworten
ultima_ratio
Beiträge: 225
Registriert: Mo 12. Jun 2017, 15:04
Käfer: 1200A

Problem mit Endschalldämpfer

Beitrag von ultima_ratio »

Hi,

ich hab mir für meinen neu aufgebauten Motor bereits vor einigen Monaten einen NOS Endschalldämpfer gekauft.
Gestern beim Einbau hatte ich diverse Probleme:
- Die Schraubenlöcher haben nicht richtig gepasst, so dass ich die vorhandenen Löcher anpassen musste.
- Nachdem er dran war hat sich herausgestellt, dass der Endtopf zu nah am Motor sitzt. Dadurch sind die Heizbirnen zu weit vorne und passen nicht an den Kopf. Weiterhin ist das Ansaugrohr für die Vorwämung zu weit hinten und passt damit nicht an den Endtopf. Siehe Fotos.

Ich habe einen sehr späten 30PS Motor der bereits die neue Heizung hat. So viel ich weiß, passt abgasseitig alles vom 34PS Motor.
Gibt es bei den Endtöpfen noch weitere Unterschiede, die erklären warum er zu nah am Motor sitzt?
Das Ansaugrohr vom 34PS und 30PS Motor sind übrigens ebenfalls identisch.

VG
Ulti
IMG_1784.JPG
IMG_1784.JPG (103.41 KiB) 3206 mal betrachtet
IMG_1786.JPG
IMG_1786.JPG (102.62 KiB) 3206 mal betrachtet
ultima_ratio
Beiträge: 225
Registriert: Mo 12. Jun 2017, 15:04
Käfer: 1200A

Re: Problem mit Endschalldämpfer

Beitrag von ultima_ratio »

Ich habe nochmal recherchiert und konnte mir die Frage selbst beantworten.
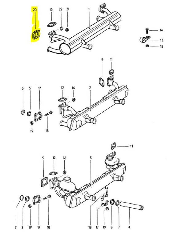
Beim 30PS Motor kommt für die Abgasanlage noch ein Zwsichenstück zwischen Zylinderkopf und Endtopf. Das Teil scheint es aber nirgendwo zu geben, so dass ich es sicher nachbauen muss :-)
Auspuff_1.JPG
Auspuff_1.JPG (42.5 KiB) 3087 mal betrachtet
Auspuff_2.JPG
Auspuff_2.JPG (18.55 KiB) 3087 mal betrachtet
Benutzeravatar
Fuss-im-Ohr
Beiträge: 6646
Registriert: So 27. Jan 2013, 12:06
Käfer: (o\_|_/o) 1200er Bj.69 mit Strom
Käfer: (o\_|_/o) 1200er Bj.84 als Ersatzteileträger
Karmann: {O o| |o O} Typ 34 Bj.66
Wohnort: PAF-Vohburg a.d.Donau

Re: Problem mit Endschalldämpfer

Beitrag von Fuss-im-Ohr »

„Furcht führt zu Wut, Wut führt zu Hass und Hass führt zu unsäglichem Leid.“
ultima_ratio
Beiträge: 225
Registriert: Mo 12. Jun 2017, 15:04
Käfer: 1200A

Re: Problem mit Endschalldämpfer

Beitrag von ultima_ratio »

Verrückt :D Danke!
zwergnase

Re: Problem mit Endschalldämpfer

Beitrag von zwergnase »

84,- Euro für die 2 Stück :shock:
Die spinnen, die Römer...

Gruß
Martin
ultima_ratio
Beiträge: 225
Registriert: Mo 12. Jun 2017, 15:04
Käfer: 1200A

Re: Problem mit Endschalldämpfer

Beitrag von ultima_ratio »

Ja, wird wohl auf selbstbauen hinauslaufen. :roll:
ultima_ratio
Beiträge: 225
Registriert: Mo 12. Jun 2017, 15:04
Käfer: 1200A

Re: Problem mit Endschalldämpfer

Beitrag von ultima_ratio »

Nicht ganz so hübsch wie die Originale, aber selbst gebaut :)
BCB41402-4EF3-4522-9E46-393CCC206283.jpeg
BCB41402-4EF3-4522-9E46-393CCC206283.jpeg (145 KiB) 2864 mal betrachtet
Benutzeravatar
Landy74
Beiträge: 913
Registriert: Mo 5. Dez 2011, 12:35
Wohnort: Oberraden

Re: Problem mit Endschalldämpfer

Beitrag von Landy74 »

Sehen doch :up: gut aus
Alles wird gut!
Benutzeravatar
PCS-K
Beiträge: 466
Registriert: So 5. Aug 2018, 07:58
Käfer: PCS-K Buggy
Wohnort: NRW

Re: Problem mit Endschalldämpfer

Beitrag von PCS-K »

2in1, damit hast du gleich eine 2cm Tieferlegung an der Hinterachse erreicht :lol:
Benutzeravatar
B. Scheuert
Beiträge: 8923
Registriert: Do 5. Dez 2013, 19:00
Käfer: 1303
Wohnort: anne Ruhr zu Hause

Re: Problem mit Endschalldämpfer

Beitrag von B. Scheuert »

Sehen sehr solide aus. Die sollten den Rest Deines Lebens halten 8-)
Antworten