
- Lichtleistg.JPG (56.68 KiB) 14078 mal betrachtet
Mich ärgerte schon immer die mangelhafte Lichtleistung der Blinker-Sofitten bei meinem 58 er in 6V.
Im 6V Käfer finden die Sofitten bei mir im
Winker und in den Nachrüstleuchten Anwendung.
http://www.csp-shop.de/cgi-bin/cshop/fr ... tnr=23777c
Die mangelhafte Blinkintensität in der dicken Haube und liegt ganz wesentlich auch an dem Kaltleiterverhalten der Blinklampe, die liegt bei 30 A im Einschaltmoment (µs), wenn sie dann endlich glüht ist der Blinktakt auch bald zu Ende (bei t < 1 sek.)
Soffitten 6Volt 3Watt 6 x 31 mm (im
Winker)
oder
6 Volt 18 Watt 11 x 39 mm (in der Hella Blinkleuchte hinten)
denn Sofitten in LED 6V sind wenige am Markt und nur mit unzureichendem Licht !
ersetzt mit
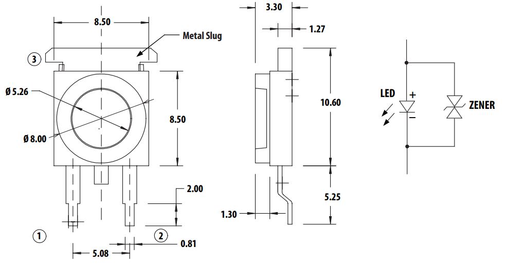
Power LED 3,5 V @ 350 mA genau:
HighPower-LED Warm-Weiß 1 W 100 lm 120 ° 3.6 V 350 mA Avago Technologies ASMT-MY06-NMN00, Best.-Nr.: 180883-62 beim Conrad a 3,54 €/St
Lichtstromvergleich: Power LED 7V @ 200 mA = >12.000 Lumen
Glüh Sofitte 7 V @ 3 A = < 8.000 Lumen
Daraus folgt:
Die LED zeigt ein zeitloses EIN-Schalten bei Leistung 15 x kleiner und 1,5 x höherem Lichtstrom und sehr hoher Lebensdauer !
Vorwiderstand an 6-7V mindestens 18 Ohm 1 Watt ! (bei mir im Bild sieht man 22 R/5 Watt)
Bild und Maßblatt unten, die selbstgestrickte „Sofitte“ unten und die Wirkung optisch im Vergleich als Nachtbild. Dennoch: Keine Zulassung !